首頁
產品中心
技術支持
關于我們
聯(lián)系我們
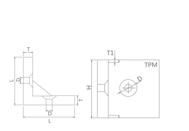
用于兩根不相垂直的型材連接,連接螺栓及螺母塊需要另配。
地 ?址:上海松江區(qū)永豐都市工業(yè)園區(qū)玉佳西路66號 電 ?話:+86-21-67723455 轉 0 傳 ?真:+86-21-67723477? 服務投訴監(jiān)督電話:18616120919
滬公網安備 31011702005356號